采用進口/純國產壓力晶元;選進的貼片工藝;恒流源1.5mA供電,差分橋路輸出;進口/國產彈性材料,精密機加工、熱處理等工藝;高阻抗、高精度、高穩定性;100萬次使用壽命以上;結構小巧、全封焊結構;抗沖擊、耐疲勞、可靠性高;可替代國外同類型高壓產品;應用于:壓力傳感器壓力變送器芯片;液壓、氣壓的測量;民用、工業設備的壓力測量與控制;OEM壓力變送器工廠。
擴散硅壓力芯體
擴散硅壓力芯片
薄膜壓力芯體
微壓壓力芯體
充油壓力芯體
擴散硅壓力傳感器
擴散硅芯體
一、擴散硅壓力芯體 PT500-304概述:
| 采用進口/純國產壓力晶元;選進的貼片工藝; | 抗沖擊、耐疲勞、可靠性高、防爆隔爆; |
| 恒流源1.5mA供電,差分橋路輸出; | 可替代國外同類型高壓產品; |
| 進口/國產彈性材料,精密機加工、熱處理等工藝; | 應用于:壓力傳感器壓力變送器芯片; |
| 100萬次使用壽命以上; | 應用于:液壓、氣壓的測量; |
| 高阻抗、高精度、高穩定性; | 應用于:民用、工業設備的壓力測量與控制; |
| 結構小巧、全封焊結構; | 應用于:OEM壓力變送器工廠; |
二、擴散硅壓力芯體 PT500-304型號:
| 代碼 | 型號 | 類型 | |||||||
| PT500 | 304 | 擴散硅壓力芯體 | |||||||
| 代碼 | 量程(按實際訂購量程填寫) | ||||||||
| (0-1MPa) | 壓力量程:0-10KPa~0.6~60MPa; | ||||||||
| 代碼 | 輸出信號類型 | ||||||||
| OF | mV(四線制) | OO | 定制 | ||||||
| 代碼 | 綜合精度 | ||||||||
| C2 | ±0.25%FS(@25℃) | ||||||||
| C3 | ±0.5%FS(@25℃) | ||||||||
| 代碼 | 結構尺寸 | ||||||||
| 19 | 直徑19mm | 13 | 直徑13mm | ||||||
| 50.8 | 50.8卡箍 | DN50 | 法蘭 | ||||||
| G00 | 定制 | ||||||||
| 代碼 | 引線長度 | ||||||||
| 50mm | 標準50mm,按實際訂購要求填寫 | ||||||||
| 代碼 | 特殊參數規格 | ||||||||
| 000 | 用戶定制(無要求時省略) | ||||||||
| PT500 | 304 | (0-1MPa) | OF | C3 | 19 | 50mm | |||
三、擴散硅壓力芯體 PT500-304技術參數:
| 項目 | 參數 | 項目 | 參數 |
| 測量介質 | 液體、氣體(與產品過程連接材料兼容) | 絕緣阻抗 | ≥1000 MΩ/100VDC |
| 壓力形式 | 表壓 | 介質溫度 | -20~+80℃ |
| 壓力量程 | 表壓:-0.1~0~0.6~5MPa | 環境溫度 | -30~+70℃ |
| 絕壓:0~0.6~5MPa | 壽 命 | 100萬次 | |
| 差壓:0~35KPa~10MPa | 響應時間 | ≤3mS | |
| 綜合精度 | ±0.25%FS;±0.5%FS; | 過載壓力 | 150%FS |
| 非 線 性 | ≤0.25%FS | 破壞壓力 | 3倍量程(>5MPa) |
| 重 復 性 | ≤0.15%FS | 芯體直接 | 標準19mm;13mm;50.8;DN50法蘭 |
| 輸出信號 | 70~100mV(四線制)差分橋路輸出 | 電氣連接 | 引線50mm或引腳 |
| 輸出阻抗 | 3~5KΩ | 防護等級 | IP65 |
| 供電電壓 | 恒流:1.5mA | 配套電纜 | 單根硅膠導線 |
四、擴散硅壓力芯體 PT500-304標準19系列量程明細:
| 表壓G(KPa) | 10 | 20 | 35 | 70 | 100 | 160 | 250 | 400 | 600 | -100 |
| 表壓G(MPa) | 1 | 1.6 | 2.5 | 4 | 6 | 10 | 16 | 25 | 40 | 60 |
| 絕壓A(KPa) | 35 | 100 | 250 | 600 | 1000 | 1600 | 2500 | |||
| 差壓D(PKa) | 35 | 100 | 500 | 1000 | 5000 | 10000 |
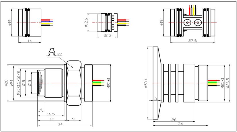
五、擴散硅壓力芯體 PT500-304結構及電氣參數:


六、擴散硅壓力芯體 PT500-304結構密封:
七、擴散硅壓力芯體 PT500-304結應用:


佛山市普量電子有限公司從事壓力,液位,溫濕度,傾角,位移,測力,沉降,靜水儀,水浸等傳感器,變送器,智慧物聯云平臺,APP,上位機,儀器儀表等數據采集與監控。產品涵蓋自動化、智慧城市(消防/供氣/供暖/給水/環境)、農業、氣象、石油化工、結構安全、基建安全監控等領域。歷經十五年技術沉淀與經驗,貫徹“銳意進取、追求卓越、用戶第一”的企業精神,依靠優秀人才、先進設備、創新技術、專業化團隊,為更多的項目和設備提供優質的產品和服務,滿足市場需求!我們注重品質、誠信為本、服務用戶。普量:感“之”世界,智慧物聯。






服務熱線
QQ咨詢

微信資詢

移動端網站
