采用高精度稱重測力傳感器,低功耗模塊化數字電路,專用4G無線通訊芯片,內置電池及天線,重量、溫度、濕度、傾角數據直接對接云物聯平臺及移動端,實現365*24h實時數據采集監控,云平臺、移動端APP或微信小程序、手機信息等多種預警方式。
CO2滅火器重量監控儀
二氧化碳滅火器重量監控儀
二氧化碳滅火器物聯監控
二氧化碳滅火器無線監控
二氧化碳滅火器監控傳感器
物聯電子秤
無線電子秤
無線稱重傳感器
PT500-110
一、CO2 二氧化碳滅火器重量監控儀 PT500-110 概述:
| 稱重/測力、溫度、濕度、傾角四位一體 | 物聯網無線4G移動通訊 | 內置電池供電,壽命≥3年(@頻率06003) |
| 稱重/測力/溫度/濕度/姿態同時測量 | 信號覆蓋廣泛、穩定、響應快、不丟包 | 電池安裝:拔插式,可更換 |
| 三款結構尺寸適應不同工況 | 拔插式SIM卡可更換 | 可選:18Ah大容量電池/可充電電池 |
| 高精度平行梁稱重傳感器 | 配套物聯網監控云平臺及移動端APP | 產品壽命≥100萬次 |
| 環境溫濕度監測 | 數據采集、顯示、統計、分析、下載 | 32位MCU、24位ADC |
| 產品安裝位置傾角監測(姿態) | 上傳頻率、各數據的預警閥值遠程配置 | 結構有整體式和分體式,適用不同用戶 |
| 產品通過第三方檢測機構認證 | 平臺、APP、手機短信多方位預警聯動 | 防護等級IP67 |
| 普量公司享有多項產品專利 | 無縫對接公共云及私人云物聯平臺 | 應用于CO2滅火器重量監控等稱重領域 |
二、CO2 二氧化碳滅火器重量監控儀 PT500-110 型號規格:
| 代碼 | 類型 | |||||
| PT500-110 | 物聯稱重測力傳感器 | |||||
| 代碼 | 量程 | |||||
| 50Kg | 稱重量程:0~50Kg(默認) | 溫度量程:-40~70℃, 濕度量程:0-99%RH, 傾角量程:±90°(X/Y/Z三軸) | ||||
| 100Kg | 稱重量程:0~100Kg | |||||
| 定制量程 | ||||||
| 代碼 | 通訊類型 | |||||
| 4G | 移動4G通訊,使用移動物聯網SIM卡 | |||||
| 代碼 | 綜合精度 | |||||
| C3 | 壓力:±0.5%FS,溫度:±2℃,濕度:±5%RH,傾角±3° | |||||
| 代碼 | 稱臺面尺寸規格 | |||||
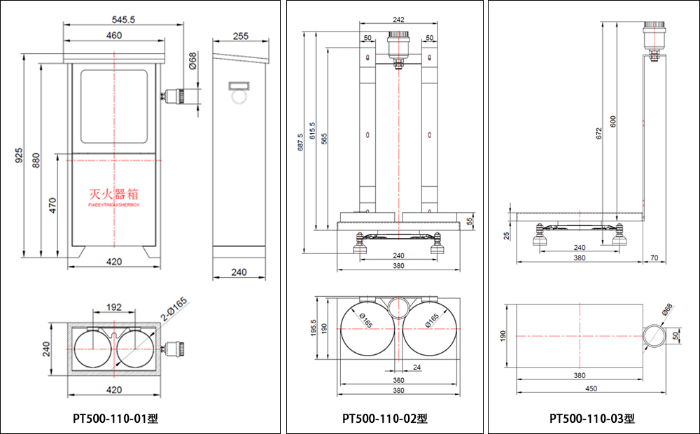
| 01 | 420*240*925(mm)-帶滅火器箱子 | |||||
| 02 | 380*190*690(mm)-托盤支架 | |||||
| 03 | 380*190*670mm(mm)-稱架結構 | |||||
| 定制 | 定制臺面尺寸 | |||||
| 代碼 | 特殊要求規格 | |||||
| 省略 | ||||||
| PT500-110 | /50Kg | 4G | C3 | 01 | ||
三、CO2 二氧化碳滅火器重量監控儀 PT500-110 主要技術參數:
| 項目 | 參數 | 項目 | 參數 |
| 測量介質 | CO2滅火器及其它物品重量 | 結構 | 420*240*925(mm)-01型/帶滅火器箱子 |
| 通訊類型 | 移動4G/SIM卡可換 | 380*190*690(mm)-02型/托盤支架 | |
| 稱重量程 | 0~50Kg | 380*190*670mm(mm)-03型/稱架結構 | |
| 0~100Kg | 使用壽命 | ≥100萬次 | |
| 定制量程 | 環境溫度 | -40~+70℃ | |
| 溫度量程 | -40~+70℃ | 巡檢時間 | 000~999分鐘/次 |
| 濕度量程 | 0~99%RH | 上傳頻率 | 01~99次巡檢時間 |
| 傾角量程 | ±90°(X;Y;Z三軸) | 安全過載 | 150%FS |
| 綜合精度 | 稱重:±0.5%FS;溫度:±2℃ | 破壞重量 | 3倍量程; |
| 濕度:±5%RH;傾角:±3° | 天線方式 | 內置免安裝 | |
| 電池規格 | 26500*2;3.6VDC/18Ah;可更換 | 防護等級 | IP67 |
| 電池壽命 | ≥3年/采集頻率4小時/次 | 臺面材料 | 鍍鋅鐵板 |
四、CO2 二氧化碳滅火器重量監控儀 PT500-110 結構:

五、CO2 二氧化碳滅火器重量監控儀 PT500-110 感之物聯云監控平臺:






六、CO2 二氧化碳滅火器重量監控儀 PT500-110 感之物聯移動端APP:






佛山市普量電子有限公司從事壓力,液位,溫濕度,傾角,位移,測力,沉降,靜水儀,水浸等傳感器,變送器,智慧物聯云平臺,APP,上位機,儀器儀表等數據采集與監控。產品涵蓋自動化、智慧城市(消防/供氣/供暖/給水/環境)、農業、氣象、石油化工、結構安全、基建安全監控等領域。歷經十五年技術沉淀與經驗,貫徹“銳意進取、追求卓越、用戶第一”的企業精神,依靠優秀人才、先進設備、創新技術、專業化團隊,為更多的項目和設備提供優質的產品和服務,滿足市場需求!我們注重品質、誠信為本、服務用戶。普量:感“之”世界,智慧物聯。






服務熱線
QQ咨詢

微信資詢

移動端網站
