采用高精度稱重測力傳感器,低功耗模塊化數字電路,專用4G無線通訊芯片,內置電池及天線,稱重、溫度、濕度、傾角數據直接對接云物聯平臺及移動端,實現365*24h實時數據采集監控,云平臺、移動端APP或微信小程序、手機信息等多種預警方式。
二氧化碳滅火器重量監控儀
無線通訊電子秤
物聯通訊電子秤
4G通訊電子秤
智慧消防滅火器重量監控
防滅火器物聯重量監測
一、CO2滅火器無線重量監控儀 PT500-110產品特點:
| 稱重/測力、溫度、濕度、傾角四位一體 | 物聯網無線4G移動通訊 | 內置電池供電,壽命≥2年(@采集頻率4小時/次) |
| 稱重/測力/溫度/濕度/姿態(三軸傾角)同時測量 | 信號覆蓋廣泛、穩定、響應快、不丟包 | 電池安裝:拔插式,可更換 |
| 臺面尺寸(400*300mm)可定制 | 拔插式SIM卡可更換 | 內置天線,結構小巧 |
| 高精度平行梁稱重傳感器 | 配套物聯網監控云平臺及移動端APP | 產品壽命≥100萬次 |
| 環境溫濕度監測 | 數據采集、顯示、統計、分析、下載 | 32位MCU、24位ADC |
| 產品安裝位置傾角監測(姿態) | 上傳頻率、各數據的預警閥值遠程配置 | 鋁合金材料過程連接 |
| 產品通過第三方檢測機構認證 | 平臺、手機移動端預警、APP多方位預警聯動 | 防護等級IP67 |
| 普量公司享有多項產品專利 | 可對接公共云及私人云物聯平臺 | 廣泛應用于CO2滅火器重量監控、工業自動化等領域 |
二、CO2滅火器無線重量監控儀 PT500-110產品型號:
| 代碼 | 類型 | |||||
| PT500-110 | 物聯稱重測力傳感器 | |||||
| 代碼 | 量程 | |||||
| (0~10Kg) | 稱重量程:0~10Kg | 溫度量程:-40~70℃, 濕度量程:0-99%RH, 傾角量程:±90°(X/Y/Z三軸) | ||||
| (0-20Kg) | 稱重量程:0~20Kg(應用于2-3KgCO2滅火器) | |||||
| (0-30Kg) | 稱重量程:0~30Kg(應用于5-7KgCO2滅火器) | |||||
| (0-50Kg) | 稱重量程:0~50Kg | |||||
| (0-100Kg) | 稱重量程:0~100Kg | |||||
| 其它定制量程 | ||||||
| 代碼 | 通訊類型 | |||||
| 4G | 移動4G通訊,使用移動物聯網SIM卡 | |||||
| 代碼 | 綜合精度 | |||||
| C3 | 壓力精度:±0.5%FS,溫度精度:±1℃,濕度精度:±3%RH,傾角精度±1° | |||||
| 代碼 | 稱臺面尺寸規格 | |||||
| 400*300 | 長400mmX寬300mm | |||||
| 500*400 | 長400mmX寬300mm | |||||
| 600*450 | 長400mmX寬300mm | |||||
| * | 定制臺面尺寸 | |||||
| 代碼 | 特殊要求規格 | |||||
| 省略 | ||||||
| PT500-110 | (0-20Kg) | 4G | C3 | 400*300 | ||
三、CO2滅火器無線重量監控儀 PT500-110產品參數:
| 項目 | 參數 | 項目 | 參數 |
| 測量介質 | 滅火器及其它需稱重設備 | 臺面尺寸 | 400*300(mm) |
| 通訊類型 | 移動4G/SIM卡可換 | 500*400(mm) | |
| 稱重量程 | 0~20Kg | 600*450(mm),可定制 | |
| 0~30Kg | 使用壽命 | ≥100萬次 | |
| 0~50Kg; | 環境溫度 | -40~+70℃ | |
| 0~100Kg;可定制量程 | 巡檢時間 | 000~999分鐘/次 | |
| 溫度量程 | -40~+70℃ | 上傳頻率 | 01~99次巡檢時間 |
| 濕度量程 | 0~99%RH | 安全過載 | 150%FS |
| 傾角量程 | ±90°(X;Y;Z三軸) | 破壞重量 | 3倍量程; |
| 綜合精度 | 稱重:±0.5%FS;溫度:±1℃ | 天線方式 | 內置免安裝 |
| 濕度:±3%RH;傾角:±1° | 防護等級 | IP67 | |
| 電池規格 | 14250*2;3.6VDC/2400mAh;可更換 | 臺面材料 | 防滑鐵片+烤漆防銹 |
| 電池壽命 | ≥2年/采集頻率4小時/次 | 秤架材料 | 20*30鐵管+烤漆防銹 |
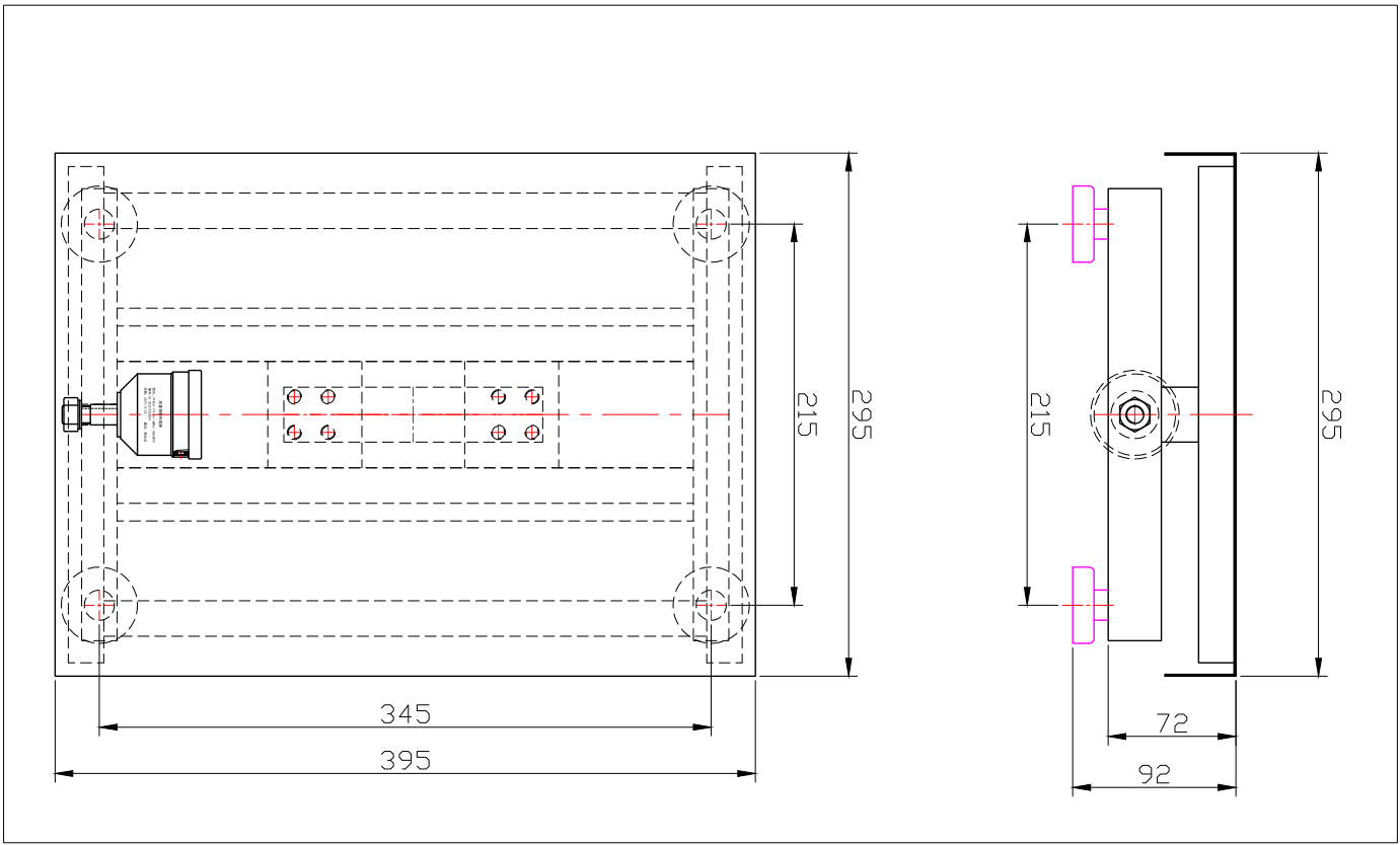
四、二氧化碳滅火器漏氣監測傳感器產品結構:

五、無線電子秤PT500-110產品應用:

五、感之物聯云平數據監控:



六、感之物聯APP:




佛山市普量電子有限公司從事壓力,液位,溫濕度,傾角,位移,測力,沉降,靜水儀,水浸等傳感器,變送器,智慧物聯云平臺,APP,上位機,儀器儀表等數據采集與監控。產品涵蓋自動化、智慧城市(消防/供氣/供暖/給水/環境)、農業、氣象、石油化工、結構安全、基建安全監控等領域。歷經十五年技術沉淀與經驗,貫徹“銳意進取、追求卓越、用戶第一”的企業精神,依靠優秀人才、先進設備、創新技術、專業化團隊,為更多的項目和設備提供優質的產品和服務,滿足市場需求!我們注重品質、誠信為本、服務用戶。普量:感“之”世界,智慧物聯。






服務熱線
QQ咨詢

微信資詢

移動端網站
